S100ULS-B 声光组合 箱子一体型 LED警示灯
Ø100mm Max.85dB
组合面板式信号扬声器和LED闪亮、顺次长亮旋转式警示灯的小型多功能产品! 适合汽车生产设备、产业机械、起重机、钢铁产业、成套设备!
  • LED闪亮和LED长亮旋转方式(SHIFT-RESISTER)的产品,可以选择LED闪亮方式和长亮旋转方式使用
  • 采用高亮度LED为光源,可见度优秀,使用寿命为半永久性,适合用于振动及冲击严重的设备
  • 利用内装调节器,可以调节闪亮速度(长亮周期)
  • 按照接线端子的接线方法,可以选择音调
  • 按照接线端子的接线方法,可以选择LED长亮和LED长亮旋转
  • 利用内装调节器可以调节LED长亮旋转速度(旋转周期)
  • 利用产品前面的调节器可以调节音量大小
  • 材质 : 灯罩-AS, 身体-STEEL
  • 音量 : MAX.85dB/m
产品规格
型号 电压 电流 重量 闪亮次数 颜色

S100ULS-B

DC12V

1.050A

4.40Kg

60~80/min
(180~250/min)

红-R, 黄-A

DC24V

0.095A

4.40Kg

AC110V

0.020A

5.00Kg

AC220V

0.010A

5.00Kg

  • 红色、黄色以外的颜色可以定做。
名 称 频道 视听 音量
MELODY 1 Home sweet home MAX 85dB
MELODY 2 Piano Sonata   MAX 85dB
MELODY 3 The Magic Flute MAX 85dB
MELODY 4 Door Chime MAX 83dB
MELODY 5 PI.PI.PI.PI.Short Interval MAX 85dB
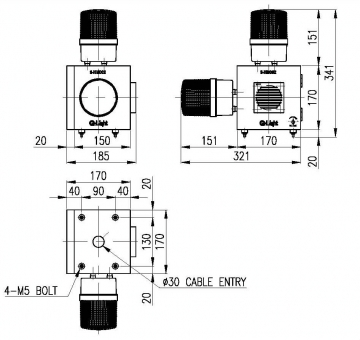
外形图
资料下载 PDF产品目录
  • 电源线 接线(POWER)
    AC 电源产品:不用分正负极。
    DC 电源产品:黑色线端子连接在负极 (-)。

 

  • 信号线 接线
    选择COMMON 端子和要使用的音调或动作方式连接。
EX)S100ULS-B -220 -RA
型号 电压 颜色
S100ULS-B 12-DC12V
24-DC24V
110-AC110V
220-AC220V
R-红, A-黄

地址:上海市宝山区宝林八村101号友谊商务中心313-317室
工厂:上海市宝山区南大路19号五幢3-4层  E-mail:info@shyz.cc

COPYRIGHT 2011 © SHYZCC INDUSTRIES. ALL RIGHTS RESERVED.
Powered by PageAdmin CMS