QWHL150K POWER LED工作灯
改善机床的工作效率和管理效率的自立型高亮度LED工作灯
  • 采用大功率发光二极管为光源,适合用于需要高亮度的工作环境
  • 采用防止刺眼的镜片,改善在高照度的环境工作人的视觉疲劳度 
  • 铝合金身体,对震动和冲击很强,散热效果优秀 
  • IP67保护等级,在切削油、粉尘、切削粉等较多的环境,进行稳定的工作 
  • 材质 : 身体-AL, 支架-SUS304, 镜片-钢化玻璃
  • 亮度 : 1400Lx at 1m
  • 保护等级 : IP67
产品规格
型号 电压 电流 重量 亮度(at 1m) 颜色

QWHL150

DC12V

0.720A

0.93Kg

1400Lux

白-W

DC24V

0.480A

0.93Kg


  • 使用电压 AC110V,AC220V 规格和红色、黄色产品可以定做
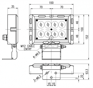
外形图
资料下载 PDF产品目录
  • 引出 电源线 规格 :  VCTF(0.75sqⅩ2C) 400mm
  • AC 产品 : 不用分电源线的颜色,可以交替接线
  • DC 产品 : 黑色线或者蓝色线表示负极(–),但产品内部有整流桥,产品不用分正负极
EX)QWHL150 -24 -W
型号 电压 颜色

QWHL150

12-DC12V
24-DC24V

W-白


地址:上海市宝山区宝林八村101号友谊商务中心313-317室
工厂:上海市宝山区南大路19号五幢3-4层  E-mail:info@shyz.cc

COPYRIGHT 2011 © SHYZCC INDUSTRIES. ALL RIGHTS RESERVED.
Powered by PageAdmin CMS