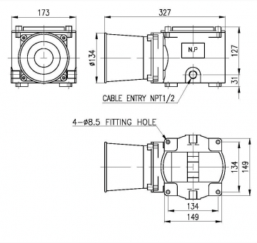
铝合经外壳、内压防爆型产品,适合用于易燃易爆的危险地方传达警告音
| 型号 | 内装音 | 音量 | 电压 | 电压/电流 | 重量 | |
|---|---|---|---|---|---|---|
|
SPNA |
WS | 警告音 5音 | 118dB | DC12V DC24V AC110V AC220V |
DC12V/0.180A DC24V/0.315A AC110V/0.089A AC220V/0.047A |
DC- 4.32Kg |
| WP | 特殊警告音 5音 | 118dB | ||||
| WM | 音乐音 5音 | 118dB | ||||
| WA | 警报音 5音 | 116dB | ||||
| WV | 声音信号 3频道 | 113dB | ||||
| 代号 | 名 称 | 频道 | 频道 | 视听 | 音量 |
|---|---|---|---|---|---|
| WS | 警告音 5音 | 火灾 A-ANG(火災)音 紧急 WA-U(緊急)音 急救 PI-PO(救急)音 断续音 High-Expansion Foam Release |
MAX 118dB | ||
| WP | 特殊警告音 5音 | 火灾 A-ANG(火災)音 紧急电令音 断续音 High-Expansion Foam Release 7 短音 1 长音 |
MAX 118dB | ||
| WM | 音乐音 3音 | Sweet Home For Elise Sukoos Waltz Piano Sonata Turkish March |
MAX 118dB | ||
| WA | 警报 音 5音 | Beep. intermittent Door Chime Phone Ring Sound PI.PI.PI.PI. Short Interval Phone Ring Sound |
MAX 116dB | ||
| WV | 声音信号 3ch | 定做产品 (声音录音型产品) |
MAX 113dB | ||
电源线 引入口(CABLE ENTRY)
接线方法
定做产品(-LC型)引出电源线和信号线

| EX)SPNA | -WS | -12 | -(LC) |
|---|---|---|---|
| 型号 | 音调 | 电压 | 选择音调 |
| SPNA | WS(警告音) WP(特殊警告音) WM(音乐音) WA(警报音) WV(声音信号) |
12-DC12V 24-DC24V 110-AC110V 220-AC220V |
无指定(None) 选择内部开关 LC指定(Order) 选择外部接点 |
![]() |
地址:上海市宝山区宝林八村101号友谊商务中心313-317室 |
COPYRIGHT 2011 © SHYZCC INDUSTRIES. ALL RIGHTS RESERVED. |