SCDF 声光组合船舶、重负荷用灯泡 反射镜旋转 警示灯
Ø125mm Max.118dB
轻巧的外壳材质提高密闭性和耐久性的新概念船舶、重负荷产品(自立型)
  • 自立型设计,将灯泡反射镜旋转型警示灯与扬声器相结合构成重负荷声光组合产品
  • 可以同时传达视觉信号和听觉信号
  • 外壳采用聚碳酸酯(PC-GF30)材料,耐腐蚀性和防水防尘效果更佳
  • 适合用于船舶、造船厂等存在潮湿或盐分的场所、炼铁、制粉工厂等周围环境恶劣的地域或者室外起重机
  • 连接端子和信号音线路板盒分离设置,便于线路的连接和产品的检修
  • 材质 : 灯罩, 身体, 喇叭外壳-PC-GF30, 反射镜-PC, 保护网-SUS316L
  • 灯罩颜色 : 红-R 黄-A 铝-G 蓝-B
  • 技术认证 : CE, KR, KIMM
  • 保护等级 : IP66
  • 转速 : 120~140RPM(可以调节)
  • 音量 : Max.118dB/m
产品规格
型号 内装音 电压 电流 灯泡 重量 颜色

SCDF

WS-警告音 5音
WP-特殊警告音 5音 
WM-音乐音 5音
WA-警报音 5音
WV-声音信号 3频道
DC12V 2.240A 12V15W G23 15S 17 2.58Kg 红-R
黄-A
绿-G 
蓝-B
DC24V 1.440A 24V15W G23 15S 18 2.58Kg
AC110V 0.321A 12V15W G23 15S 17 3.33Kg
AC220V 0.156A 12V15W G23 15S 17 3.33Kg
  • 特殊电压(48V, 440V 等) 产品可以定做。
代号 名 称 频道 频道 视听 音量
WS 警告音 5音 火灾 A-ANG(火災)音
紧急 WA-U(緊急)音
急救 PI-PO(救急)音
断续音
High-Expansion Foam Release
ch1
ch2
ch3
ch4
ch5
 




MAX 118dB
WP 特殊警告音 5音 火灾 A-ANG(火災)音
紧急电令音
断续音
High-Expansion Foam Release
7 短音 1 长音
ch1
ch2
ch3
ch4
ch5
 




MAX 118dB
WM 音乐音 3音 Sweet Home
For Elise
Sukoos Waltz
Piano Sonata
Turkish March
ch1
ch2
ch3
ch4
ch5
 




MAX 118dB
WA 警报 音 5音 Beep. intermittent
Door Chime
Phone Ring Sound
PI.PI.PI.PI. Short Interval
Phone Ring Sound
ch1
ch2
ch3
ch4
ch5
 




MAX 116dB
WV 声音信号 3ch 定做产品
(声音录音型产品)
ch1
ch2
ch3
 



 
MAX 113dB
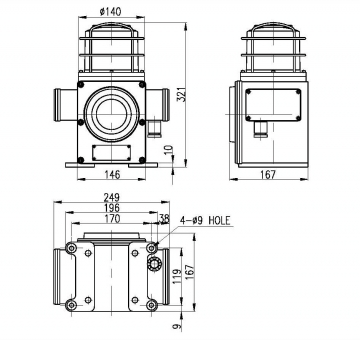
外形图
资料下载 PDF产品目录

电源线 引入口(CABLE ENTRY)

  • 使用电防水接头或者船舶用填料函
  • 电源线 引入口 规格 : PF 1/2
  • 引入口 PF 3/4 尺寸可以定做


接线方法

  • AC 电源产品:不用分正负极。
  • DC 电源产品 : 黑色线端子连接在负极 (-)。


定做产品(-LC型)引出电源线和信号线。

  • 引出 电源线 规格 : UL1015-NO18(0.75sq) x 2c 400mm
  • 引出 信号线 规格 : UL1007-NO.22(0.3sq) 400mm
EX)SCDF -WA -220 -R -(P)
型号 音调 电压 颜色 保护网
SCDF WS(警告音)
WP(特殊警告音)
WM(音乐音)
WA(警报音)
WV(声音信号)
12-DC12V
24-DC24V
110-AC110V
220-AC220V
R-红
A-黄
G-绿
B-蓝
无指定(None)
无带保护网的产品 

P指定(Order) 
带保护网的产品

地址:上海市宝山区宝林八村101号友谊商务中心313-317室
工厂:上海市宝山区南大路19号五幢3-4层  E-mail:info@shyz.cc

COPYRIGHT 2011 © SHYZCC INDUSTRIES. ALL RIGHTS RESERVED.
Powered by PageAdmin CMS