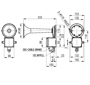
提高轻量化和耐腐蚀性的PC材质汽笛
| 型号 | 内装音 | 音量 | 空气压 | 电压 | 电流 | 重量 |
|---|---|---|---|---|---|---|
|
SANA200 |
200-300Hz | MAX. 130dB/m |
5~7Kg/㎠ | DC24V AC110V AC220V |
0.44A 0.10A 0.05A |
1.88Kg |
电源线 引入口(CABLE ENTRY)
接线方法
| EX)SANA200 | -220 | -R |
|---|---|---|
| 型号 | 电压 | 颜色 |
| SANA200 | 24-DC24V 110-AC110V 220-AC220V |
红-R 黄-A 蓝-B |

![]() |
地址:上海市宝山区宝林八村101号友谊商务中心313-317室 |
COPYRIGHT 2011 © SHYZCC INDUSTRIES. ALL RIGHTS RESERVED. |