便于在墙面上安装,可以减少外界物体的冲击或摩擦而造成的破坏
| 型号 | 段数 | 电压 | 电流 | 重量 | 颜色 |
|---|---|---|---|---|---|
|
SWTL |
2 |
AC/DC12V |
0.096A |
0.27Kg |
|
|
AC/DC24V |
0.062A |
0.27Kg |
|||
|
AC110V |
0.036A |
0.44Kg |
|||
|
AC220V |
0.018A |
0.44Kg |
|||
|
3 |
AC/DC12V |
0.144A |
0.29Kg |
|
|
|
AC/DC24V |
0.093A |
0.29Kg |
|||
|
AC110V |
0.040A |
0.46Kg |
|||
|
AC220V |
0.020A |
0.46Kg |
| 名 称 | 频道 | 视听 | 音量 |
|---|---|---|---|
| 蜂鸣器 1音 | PI~PI~PI~连续音 | MAX 90dB | |
| 蜂鸣器 2音 (定做) |
PI~PI~PI~连续音 PI-PI-PI 断续音 |
MAX 90dB | |
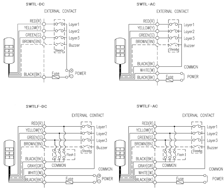
DC 长亮型产品
AC长亮型,AC/DC 长亮/闪亮型产品

| EX)SWTL | -(BZ) | -3 | -220 | -RAG |
|---|---|---|---|---|
| 型号 | 蜂鸣器 | 段数 | 电压 | 颜色 |
| SWTL SWTLF |
无指定(None)-标准型 BZ指定(Order)-内装蜂鸣器型 |
2-2色 3-3色 |
12-DC12V 24-DC24V 110-AC110V 220-AC220V |
![]() |
地址:上海市宝山区宝林八村101号友谊商务中心313-317室 |
COPYRIGHT 2011 © SHYZCC INDUSTRIES. ALL RIGHTS RESERVED. |