高亮度 爆闪型 警示灯,远距离可见度和耐久力特别优秀
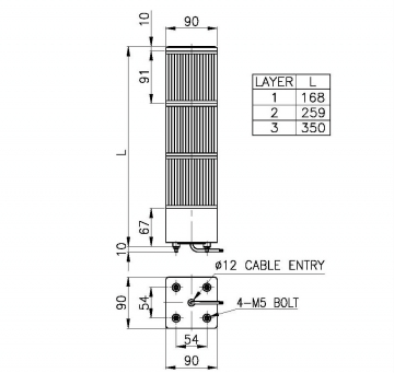
| 型号 | 段数 | 电压 | 电流 | 重量 | 灯泡 | 闪亮次数 | 颜色 |
|---|---|---|---|---|---|---|---|
| SJS | 1 |
DC12V |
0.195A | 0.54Kg | 48 | 60~80/min. | |
|
DC24V |
0.173A | 0.54Kg | |||||
|
AC110V |
0.025A | 0.53Kg | |||||
|
AC220V |
0.022A | 0.53Kg | |||||
| 2 |
DC12V |
0.385A | 0.67Kg | ||||
|
DC24V |
0.340A | 0.67Kg | |||||
|
AC110V |
0.048A | 0.66Kg | |||||
|
AC220V |
0.041A | 0.66Kg | |||||
| 3 |
DC12V |
0.570A | 0.89Kg | ||||
|
DC24V |
0.510A | 0.89Kg | |||||
|
AC110V |
0.069A | 0.88Kg | |||||
|
AC220V |
0.063A | 0.88Kg |

| EX)SJS | -3 | -(BZ) | -24 | -RAG |
|---|---|---|---|---|
| 型号 | 段数 | 蜂鸣器 | 电压 | 颜色 |
| SJS | 1-1层 2-2层 3-3层 |
无指定(None) 标准型 BZ指定(Order) 内装蜂鸣器型 |
12-DC12V 24-DC24V 110-AC110V 220-AC220V |
![]() |
地址:上海市宝山区宝林八村101号友谊商务中心313-317室 |
COPYRIGHT 2011 © SHYZCC INDUSTRIES. ALL RIGHTS RESERVED. |