提高自动化设备品格的外形美观的产品,用一个安装空间传达多种信号
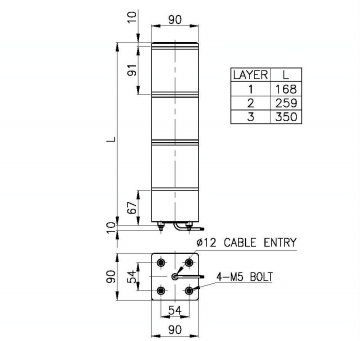
| 型号 | 段数 | 电压 | 电流 | 灯泡 | 重量 | 颜色 | ||
|---|---|---|---|---|---|---|---|---|
| SJ | 1 |
DC12V |
0.530A | 12V5W | T16x35 15S | 5 | 0.65Kg | |
|
DC24V |
0.320A | 24V5W | T16x35 15S | 6 | 0.65Kg | |||
|
AC110V |
0.110A | 12V5W | T16x35 15S | 5 | 0.88Kg | |||
|
AC220V |
0.050A | 12V5W | T16x35 15S | 5 | 0.88Kg | |||
| 2 |
DC12V |
1.080A | 12V5W | T16x35 15S | 5 | 0.91Kg | ||
|
DC24V |
0.650A | 24V5W | T16x35 15S | 6 | 0.91Kg | |||
|
AC110V |
0.170A | 12V5W | T16x35 15S | 5 | 1.34Kg | |||
|
AC220V |
0.070A | 12V5W | T16x35 15S | 5 | 1.34Kg | |||
| 3 |
DC12V |
1.570A | 12V5W | T16x35 15S | 5 | 1.19Kg | ||
|
DC24V |
0.960A | 24V5W | T16x35 15S | 6 | 1.19Kg | |||
|
AC110V |
0.230A | 12V5W | T16x35 15S | 5 | 1.62Kg | |||
|
AC220V |
0.110A | 12V5W | T16x35 15S | 5 | 1.62Kg | |||

| EX)SJ | -3 | -(BZ) | -24 | -RAG |
|---|---|---|---|---|
| 型号 | 段数 | 蜂鸣器 | 电压 | 颜色 |
| SJ | 1-1层 2-2层 3-3层 |
无指定(None) 标准型 BZ指定(Order) 内装蜂鸣器型 |
12-DC12V 24-DC24V 110-AC110V 220-AC220V |
![]() |
地址:上海市宝山区宝林八村101号友谊商务中心313-317室 |
COPYRIGHT 2011 © SHYZCC INDUSTRIES. ALL RIGHTS RESERVED. |