STC80L 多色 LED 单层 信号灯
Ø80mm Max.90dB
      单层信号灯,可以传达2-3个颜色的LED信号
  • 单层信号灯可以传达2-3个颜色信号的经济型产品
  • 利用特殊反射镜聚集LED光线,发出与类似于灯泡灯丝的光线,提高远距离可见度
  • 使用特殊灯罩, 改善LED产品可见度下降的缺点
  • 标准颜色 ( 红-R   黄-A , 黄-A  绿-G 颜色可以定做)
    2色 :  -R    绿-G
    3色 : -R    黄-A     绿-G
  • 闪亮次数 : 60~80/min.
  • 内装蜂鸣器型 音量 : Max.90dB/m (可以定做2音蜂鸣器型产品)
  • 材质 : 灯罩-AS, 身体-ABS, Pole-铝合金
  • 技术认证 : CE
  • 保护等级 : IP44 (内装蜂鸣器型 : IP23)
LB24 LW24 SCREWNUT24 SL24 SZ24A
产品规格
型号 颜色数 电压 电流 重量 颜色

STC80L
LED 长亮型

STC80LF
LED 长亮/闪亮型

STC80L-BZ
内装蜂鸣器 LED 长亮型
 
STC80LF-BZ 
内装蜂鸣器 LED 长亮/闪亮型

2 DC24V 红-R : 0.250A
黄-A : 0.250A
绿-G : 0.250A
 
0.73Kg 红-R
绿-G
3 0.73Kg 红-R
黄-A
绿-G

 

名 称 频道 视听 音量
蜂鸣器 1音 PI~PI~PI~连续音 MAX 90dB
蜂鸣器 2音
(定做)
PI~PI~PI~连续音
PI-PI-PI 断续音

MAX 90dB
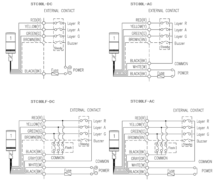
外形图
资料下载 PDF产品目录

DC 长亮型产品

  • 引出 电源线,信号线 规格 : UL1007-NO.22(0.3sq) 400mm
  • 黑色 共用线表示负极(-),但产品内部有整流桥,产品不用分正负极。

 

AC长亮型, AC/DC 长亮/闪亮型产品

  • 引出 电源线 规格 : UL1015-NO.18(0.75sq) x 2c 400mm
    AC 电压产品:不用分电源线颜色,可以交替接线。
    DC 电压产品:黑色线连接在负极(-)。
  • 引出 信号线 规格 : UL1007-NO.22 (0.3sq) 400mm
EX)STC80L -(BZ) -3 -24 -RAG -SZ24
型号 蜂鸣器 颜色数 电压 颜色 支架
STC80L

STC80LF
无指定(None)
标准型
BZ指定(Order)
内装蜂鸣器型
2-2色
3-3色
12-DC12V
24-DC24V
110-AC110V
220-AC220V
R-红
A-黄
G-绿
无指定-标准型 
LB24
LW24
SZ24
SL24

地址:上海市宝山区宝林八村101号友谊商务中心313-317室
工厂:上海市宝山区南大路19号五幢3-4层  E-mail:info@shyz.cc

COPYRIGHT 2011 © SHYZCC INDUSTRIES. ALL RIGHTS RESERVED.
Powered by PageAdmin CMS