
| 型号 | 电压 | 电流 | 重量 | 闪亮次数 | 颜色(2色,3色) |
|---|---|---|---|---|---|
|
STC45ML |
DC12V | 0.100A | 0.29Kg | 60~80/min. | |
| DC24V | 0.070A | ||||
| AC110V | 0.020A | 0.29Kg | |||
| AC220V | 0.013A |
| 名 称 | 频道 | 视听 | 音量 |
|---|---|---|---|
| 蜂鸣器 1音 | PI~PI~PI~连续音 | MAX 90dB | |
| 蜂鸣器 2音 (定做) |
PI~PI~PI~连续音 PI-PI-PI 断续音 |
|
MAX 90dB |
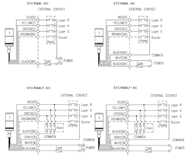
DC 长亮型产品
AC长亮型, AC/DC 长亮/闪亮型产品

| EX)STC45ML | -(BZ) | -3 | -24 | -RAG |
|---|---|---|---|---|
| 型号 | 蜂鸣器 | 颜色数 | 电压 | 颜色 |
| STC45ML STC45MLF |
无指定(None) 标准型 BZ指定(Order) 内装蜂鸣器型 |
2-2色 3-3色 |
12-DC12V 24-DC24V 110-AC110V 220-AC220V |
![]() |
地址:上海市宝山区宝林八村101号友谊商务中心313-317室 |
COPYRIGHT 2011 © SHYZCC INDUSTRIES. ALL RIGHTS RESERVED. |