SWTCE 壁挂式 多色LED 半圆形 多层信号灯
HALF Ø90mm
    便于安装在墙面上,减少由于障碍物对产品造成的碰撞,本产品结构为LED光线直接照射的方式,提高了产品侧面可见度
  • 壁挂式产品,便于安装在墙面上的 LED长亮/闪亮型产品
  • 半圆形壁挂式产品,减少由于障碍物对产品造成的碰撞
  • 扩大LED发光窗LED光线直接照射的方式,提高了产品侧面可见度
  • 使用多色LED,用一个警示灯可以传达2~3个颜色信号
  • 适用于更换灯泡困难的场所或者受到振动和冲击较大的设备
  • 防水、防尘构造的产品,有优秀的封闭性能可以在室外使用
  • 标准颜色( 红-R   黄-A , 黄-A  绿-G 颜色可以定做)
    2 色 :   红-R   绿-G
    3 色 :   红-R   黄-A   绿-G
  • 材质 : 灯罩-PC, 身体-ABS, 盖子-ABS
  • 保护等级 : IP55, 可以在室外使用的产品
  • 闪亮次数 : 60~80/min.
  • 内装蜂鸣器型 音量 : Max.90dB/m. (可以定做2音蜂鸣器型产品)
产品规格
型号 电压 电流 重量 颜色

SWTCEL 
LED 长亮型

SWTCELF 
LED 长亮/闪亮型

SWTCEL-BZ 
内装蜂鸣器 LED 长亮灯

SWTCELF-BZ 
内装蜂鸣器 LED 长亮/闪亮型

DC12V 0.270A DC:0.23Kg
 
AC:0.46Kg
红-R
黄-A
绿-G 
蓝-B
DC24V 0.175A
AC110V 0.060A
AC220V 0.030A
名 称 频道 视听 音量
蜂鸣器 1音 PI~PI~PI~连续音 MAX 90dB
蜂鸣器 2音
(定做)
PI~PI~PI~连续音
PI-PI-PI 断续音

MAX 90dB
外形图
资料下载 PDF产品目录

DC 长亮型产品

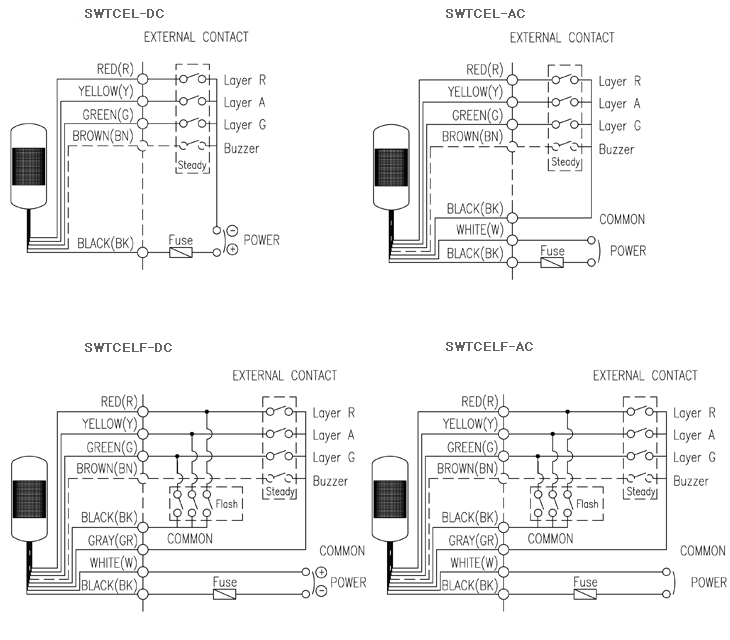
  • 引出 电源线,信号线 规格 : UL1007-NO.22(0.3sq) 400mm
  • 黑色 共用线表示负极(-),但产品内部有整流桥,产品不用分正负极。

 

AC长亮型, AC/DC 长亮/闪亮型产品

  • 引出 电源线 规格 : UL1015-NO.18(0.75sq) x 2c 400mm
    AC 电压产品:不用分电源线颜色,可以交替接线。
    DC 电压产品:黑色线连接在负极(-)
  • 引出 信号线 规格 : UL1007-NO.22 (0.3sq) 400mm
EX)SWTCEL -(BZ) -3 -24 -RAG
型号 蜂鸣器 颜色数 电压 颜色
SWTCEL

SWTCELF
无指定(None)
标准型
BZ指定(Order)
内装蜂鸣器型
 
2-2色
3-3色
12-DC12V
24-DC24V
110-AC110V
220-AC220V
R-红
A-黄
G-绿

地址:上海市宝山区宝林八村101号友谊商务中心313-317室
工厂:上海市宝山区南大路19号五幢3-4层  E-mail:info@shyz.cc

COPYRIGHT 2011 © SHYZCC INDUSTRIES. ALL RIGHTS RESERVED.
Powered by PageAdmin CMS