SH8560-RL
  大型 重负荷用 行程开关-滚柱 传动杆型 SH8560-RL 铝合金 外壳
SH8560-RL 青铜 外壳
  • 安装不锈钢传动杆的固定传动杆,到动作之前的运动小,传达杆的运动大,设计限位块容易  
  • 顶部和本体一体型的重负荷产品
  • 因机械的强度高,柔软地吸收限位块的动作,完成稳定的动作
  • 在外部使用的螺栓和螺母使用不锈钢材料优秀耐腐蚀性
  • 适合用于天障起重机、大型输送机、大型产业机械、室外成套设备用  
  • SH8560S-RL 产品是青铜外壳产品优秀耐腐蚀性及耐盐性,在船舶甲板机械、港口装卸设备、腐蚀性及存在咸性瓦斯的化学工厂等环境下发挥优秀的性能
  • 身体标准颜色 : MUNSELL NO. 2.0 BG 7/2
  • 材质 : 身体-SH8560-RL : DIECAST AL, SH8560-RL : CAST BRASS , 螺丝, 滚柱, 传动杆-不锈钢
  • 保护构造 : 防水、防油、防尘构造(IP66)
  • 技术认证 : KIMM
  • 耐寒型(-40℃~+40℃)和耐热型(+5℃~+120℃)可以定做提供
产品规格
保护构造
IP66
机械的寿命
500万次以上
电气的寿命
10万次 以上
容许动作频率
机械的
120次/分
电气的
30次/分
绝缘电阻
100MΩ 以上(在DC 500V)
接触电阻
25mΩ 以下
内电压
非连续端子间
AC1000V (50/60Hz 1分钟)
格端子和非充电金属部间
AC2000V (50/60Hz 1分钟)
耐冲击
耐久
约1000m/s²(100G)
吴动作
约300m/s²(30G)
震动
10-55Hz 振幅 1.5mm
环境温度
- 10~+70℃
环境温度
95% RH 以下
动作特性
OF max.g
1,850
RF min.g
350
PT
15˚ ± 5˚
MD max
12˚
TT min
60˚
重量
SH8560-RL
约 1.65 Kg
SH8560S-RL
约 3.66 Kg
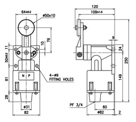
外形图
  • 1.上面尺寸中没有指定的部分尺寸公差是±0.4mm。
  • 2.使用防水或者室外用时请使用防水用接头或填料函。
  • 3.没使用防水用接头或填料函的状态,在室外临时设置时,利用产品出库时安装的防水头套保持安全性。
  • 4.电缆线引入口制作PF3/4的标准尺寸。
  • 额定
    额定电压(V) 无诱导负荷(A) 诱导负荷(A)
    电阻负荷 指示灯负荷 诱导负荷 电动机负荷
    常时
    闭路
    常时
    开路
    常时
    闭路
    常时
    开路
    常时
    闭路
    常时
    开路
    常时
    闭路
    常时
    开路
    AC 125 10 3 1.5 10 5 2.5
    250 6 2 1 10 3 1.5
    480 2 1.5 0.8 3 1.5 0.8
    DC 8 10 6 3 6 6
    14 10 6 3 6 6
    30 6 4 3 4 4
    125 0.8 0..2 0.2 0.8 0.2
    250 0.4 0.1 0.1 0.4 0.1
    线路构成
    接点
    2CKT-DB(2电路双端)
    初始电流
    常时闭路
    最大 20A
    常时开路
    最大 10A
    环境温度
    -10~+70℃(但,不冻的)
    环境温度
    95%RH 以下
    *注) 1.表格上的述职表示正常电流。 2.诱导负荷是力率 0.4以上(交流), 时定数 7ms 以下(直流) 3.指示灯负荷表示带10倍的初始电流 4.电动机负荷电流表示带6倍的初始电流

    地址:上海市宝山区宝林八村101号友谊商务中心313-317室
    工厂:上海市宝山区南大路19号五幢3-4层  E-mail:info@shyz.cc

    COPYRIGHT 2011 © SHYZCC INDUSTRIES. ALL RIGHTS RESERVED.
    Powered by PageAdmin CMS