SW2M-LRD
  船舶/重负荷用 行程开关-大型调节滚柱传动杆型 SW2M-LRD 铝合金 外壳
SW2MS-LRD 青铜 外壳
   
  • 安装直径 40mm 大型不锈钢滚柱的调节传动杆型,对不稳定的限位块的运动宽大收用幅的产品
  • 传动杆长度可以调节 40~88mm
  • 具有跟标准型开关同样的固定孔和外形优秀耐久力和防水性的重负荷产品
  • 采用2重弹簧回复系统,在长时间保持开关ON状态发挥稳定的动作特性
  • 在外部使用的螺栓和螺母使用不锈钢材料优秀耐腐蚀性
  • 适合用于天障起重机、大型输送机、大型产业机械、室外成套设备用
  • SW2MS-LRD 产品是青铜外壳产品优秀耐腐蚀性及耐盐性,在船舶甲板机械、港口装卸设备、腐蚀性及存在咸性瓦斯的化学工厂等环境下发挥优秀的性能
  • 身体标准颜色 :  SW2M-MUNSELL NO 5.0,  SW2MS-MUNSELL NO 7.5BG 7/2
  • 材质 : 身体-SW2M-LRD : DIECAST AL, SW2MS-LRD : CAST BRASS 盖子, 螺丝, 滚柱, 传动杆-不锈钢
  • 保护构造 : 防水、防油、防尘构造(IP67)
  • 技术认证 : KIMM
  • 耐寒型(-40℃~+40℃)和耐热型(+5℃~+120℃)可以定做提供
产品规格
保护构造
IP67
机械的寿命
300万次以上
电气的寿命
10万次 以上
容许动作频率
机械的
120次/分
电气的
30次/分
绝缘电阻
100MΩ 以上(在DC 500V)
接触电阻
25mΩ 以下
内电压
非连续端子间
AC1000V (50/60Hz 1分钟)
格端子和非充电金属部间
AC2000V (50/60Hz 1分钟)
耐冲击
耐久
约1000m/s²(100G)
吴动作
约250m/s²(25G)
震动
10-55Hz 振幅 1.5mm
环境温度
- 10~+70℃
环境温度
95% RH 以下
动作特性
OF max.g
1,380
RF min.g
260
PT
15˚ ± 5˚
MD max
12˚
TT min
60˚
重量
SW2M-LRD
约 0.85 Kg
SW2MS-LRD
约 2.25 Kg
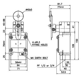
外形图
  • 1.上面尺寸中没有指定的部分尺寸公差是±0.4mm。
  • 2.使用防水或者室外用时请使用防水用接头或填料函。
  • 3.没使用防水用接头或填料函的状态,在室外临时设置时,利用产品出库时安装的防水头套保持安全性。
  • 4.电缆线引入口制作PF1/2的标准尺寸。
  • 额定
    额定电压(V) 无诱导负荷(A) 诱导负荷(A)
    电阻负荷 指示灯负荷 诱导负荷 电动机负荷
    常时
    闭路
    常时
    开路
    常时
    闭路
    常时
    开路
    常时
    闭路
    常时
    开路
    常时
    闭路
    常时
    开路
    AC 125 10 3 1.5 10 5 2.5
    250 6 2 1 10 3 1.5
    480 2 1.5 0.8 3 1.5 0.8
    DC 8 10 6 3 6 6
    14 10 6 3 6 6
    30 6 4 3 4 4
    125 0.8 0..2 0.2 0.8 0.2
    250 0.4 0.1 0.1 0.4 0.1
    线路构成
    接点
    2CKT-DB(2电路双端)
    初始电流
    常时闭路
    最大 20A
    常时开路
    最大 10A
    环境温度
    -10~+70℃(但,不冻的)
    环境温度
    95%RH 以下
    *注) 1.表格上的述职表示正常电流。 2.诱导负荷是力率 0.4以上(交流), 时定数 7ms 以下(直流) 3.指示灯负荷表示带10倍的初始电流 4.电动机负荷电流表示带6倍的初始电流

    地址:上海市宝山区宝林八村101号友谊商务中心313-317室
    工厂:上海市宝山区南大路19号五幢3-4层  E-mail:info@shyz.cc

    COPYRIGHT 2011 © SHYZCC INDUSTRIES. ALL RIGHTS RESERVED.
    Powered by PageAdmin CMS